VOQB400-F4824
功率:
400W
输入电压:
48(36-75)VDC
输出电压:
24VDC
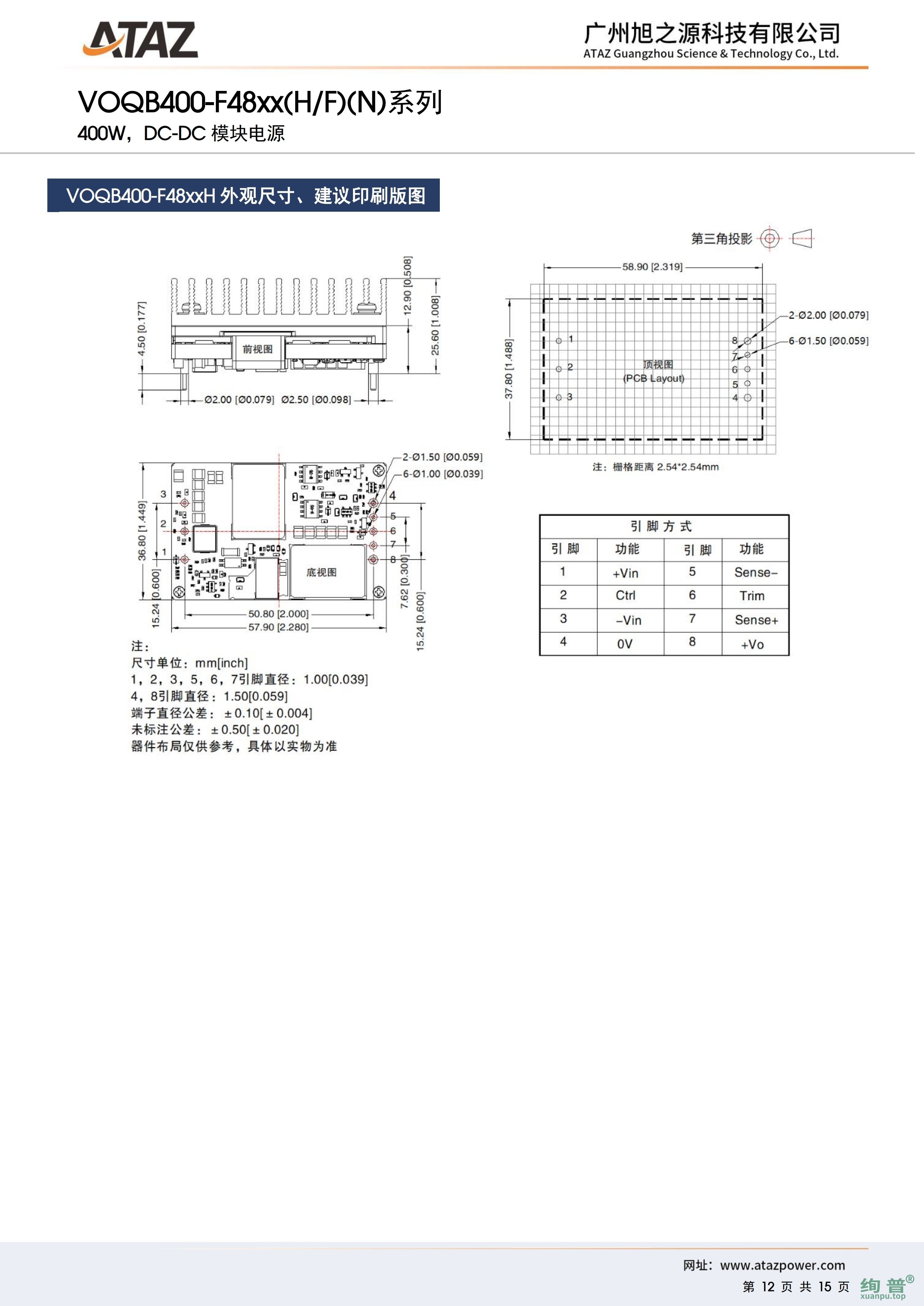
封装形式:
双列直插DIP
隔离电压:
2250VDC
功能:
单路输出 输出短路保护 输出过流保护 输出过压保护
供应星级:
★
- Hotline:+86-21-34291916
-
Product Details















Product Recommendations
Inquiry:VOQB400-F4824

简体中文

