VS1-F2412
功率:
1W
输入电压:
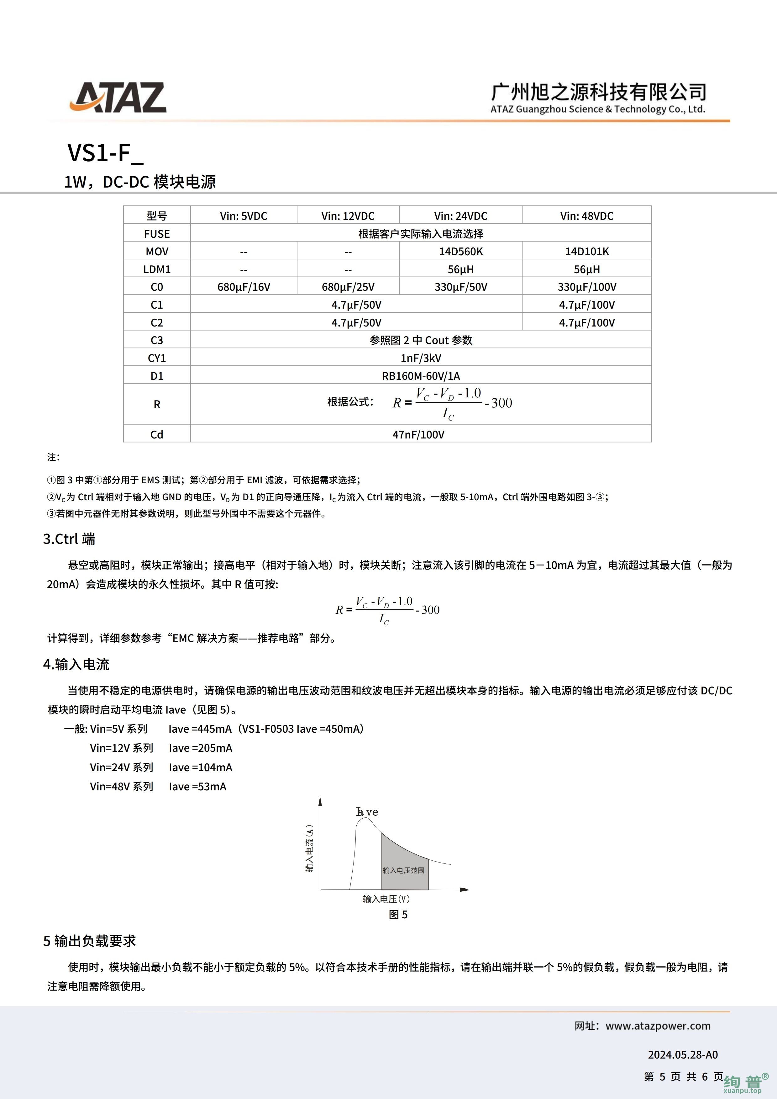
24(18-36)VDC
输出电压:
12VDC
封装形式:
单列直插SIP
隔离电压:
3000VDC
功能:
单路输出 输出短路保护
供应星级:
★
- Hotline:+86-21-34291916
-
Product Details






Product Recommendations
Inquiry:VS1-F2412

简体中文

