KSJD30D10-24
控制电压:
24V
负载电压:
30(8-28.8)VDC
负载电流:
10A
解发方式:
功能:
耐压:
2121VDC
认证:
供应星级:
★
- 咨询热线:021-34291916
-
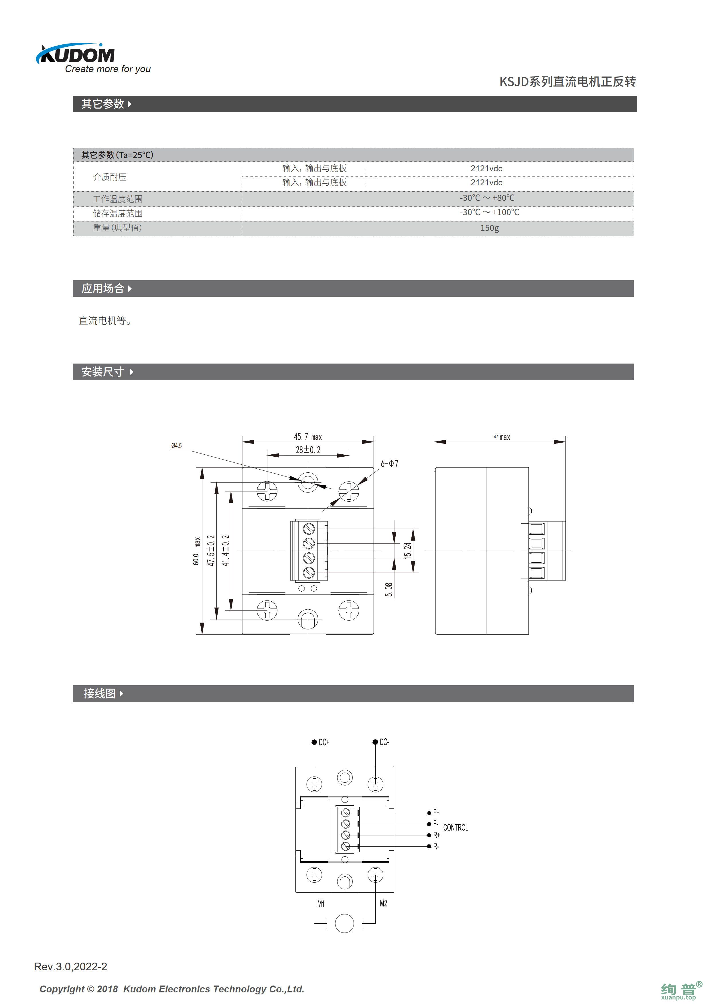
产品详情
KSJD 系列是一款专为直流电机设计的正反转控制模块,采用面板安装方式,适用于需要对直流电机进行正反转操控的场景。其核心输出部件为 MOSFET,具备低阻抗特性,同时配备 LED 指示灯,方便用户直观了解模块工作状态,且产品符合 RoHS 指令,符合环保要求。



咨询:KSJD30D10-24

English
